04704

Recessed Spot 1xGU IP44 S/N
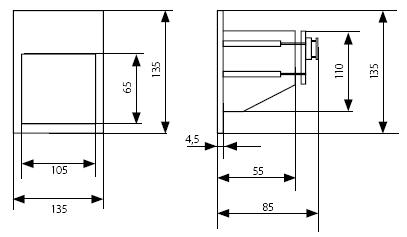
Product information
- casing: steel sheet / enclosure: glass
- colour: satin nickel
- for operation in increased-humidity locations, e.g. bathrooms
- increased resistance to humidity and dust penetration
Technical parameters




